TDA7388 / TDA7560 / TDA7850 and others DIY Guide - 20W to 30W Quad Bridged Single Chip Power Amplifiers
There's a great number of quad class AB car audio amplifier ICs that have been available since the late 1990's and are still available today. This article is a DIY guide to these quad output chip amps that are available in a 25-pin package and form a pretty capable working amplifier with minimal extra components.
Recommended Experience : Intermediate, knowledge of amplifiers, PCB building, heatsink attaching
Manufacturers of these amplifiers aim their use at the car audio market only, and there are many head units out there that use them. However, they can make an interesting and cheap DIY build that is perfectly useable in the home or portable audio builds.
Performance differences / comparison
The table below is a comparison of key performance differences. Note that the voltage range is from minimum to the maximum limits - for reliability, you should aim to use a voltage supply that is 2V under that limit.
ST Microelectronics produce these chips mostly. There is a range of different chips with different power capability and features, as well as compatible ICs from Toshiba, UTC and other Chinese manufacturers not listed here (example CD7388CZ). Pioneer chips PAL007A, PAL007B, PAL007C, PAL007E, PAL006A, PAL006B, PAL009A, PAL009B can be considered compatible, but good datasheets are not available for any of these, so performance is unknown. Older Toshiba chips like TA8260AH, TA8255AH, TA8266H are also mostly compatible, but AC-GND pin 16 is an aux input instead (i.e., for beeps!).
I can imagine these as well as many other variants of these chips will be the powerhouse for in-car audio in millions of cars around the world, except for modern ones where class-D amplifiers are taking over.
Please note, I've not quoted EIAJ or 'max' (saturated square wave) power outputs, because they're nonsense for an audio system! Although they are the title of the datasheet and the headline figure, they are not reality at all because music is not a square wave (which should never be used to drive a speaker either). For enjoying music or movies, you should even disregard the 10% THD figures too and only consider the 1% THD (Total Harmonic Distortion) output as the 'real' power capability of these chip amps.
Still, some chips can get up to 24W at 1% THD into a typical 4-ohm speaker from 14.4V. That can be loud enough to handle music peaks and can fill most rooms.
The gain of all these chips is 26dB. That's a reasonable gain to reach their maximum power output from a typical 3.5mm or phono line level output.
| Manufacturer | Package | Type | Voltage supply range | Power at 10% 1kHz THD - 4 ohms | Power at 10% 1kHz THD - 2 ohms | Power at 1% 1kHz THD - 4 ohms | Power at 1% 1kHz THD - 2 ohms | Diagnostics | Peak current limit (repetitive) |
|---|---|---|---|---|---|---|---|---|---|
| STMicroelectronics | TDA7381 | PNP/NPN | +8V to +18V | 4x 18W from +14.4V | - | 4x 14W from +14.4V | - | Clip / fault (pin 25) | 3A |
| STMicroelectronics | TDA7384A | PNP/NPN | +8V to +18V | 4x 18W from +14.4V | - | 4x 14W from +14.4V | - | No | 4.5A |
| STMicroelectronics | TDA7385 | PNP/NPN | +8V to +18V | 4x 23W from +14.4V | - | 4x 19W from +14.4V | - | Clip / fault (pin 25) | 4.5A |
| STMicroelectronics | TDA7387 | PNP/NPN | +8V to +18V | 4x 22W from +14.4V | - | 4x 18W from +14.4V | - | No | 4.5A |
| STMicroelectronics | TDA7388 | PNP/NPN | +8V to +18V | 4x 26W from +14.4V | - | 4x 20W from +14.4V | - | No | 4.5A |
| STMicroelectronics | TDA7560 | MOSFET (BCD) | +8V to +18V | 4x 30W from +14.4V | 4x 55W from +14.4V | 4x 23W from +14.4V | 4x 43W from +14.4V | DC offset detect (pin 25) | 9A |
| STMicroelectronics | TDA7850 | MOSFET | +8V to +18V | 4x 30W from +14.4V | 4x 55W from +14.4V | 4x 23W from +14.4V | 4x 43W from +14.4V | DC offset detect (pin 25) | 9A |
| STMicroelectronics | TDA7851F | MOSFET (BCD) | +8V to +18V | 4x 28W from +14.4V | 4x 48W from +14.4V | 4x 22W from +14.4V | 4x 38W from +14.4V | DC offset detect (pin 25) | 9A |
| STMicroelectronics | TDA7851L | MOSFET (BCD) | +8V to +18V | 4x 28W from +14.4V | 4x 48W from +14.4V | 4x 22W from +14.4V | 4x 38W from +14.4V | DC offset detect (pin 25) | 9A |
| STMicroelectronics | STPA001 | MOSFET | +6V to +18V | 4x 28W from +14.4V | 4x 48W from +14.4V | 4x 22W from +14.4V | 4x 38W from +14.4V | On 27 pin IC only | 9A |
| STMicroelectronics | STPA002 | MOSFET | +6V to +18V | 4x 30W from +14.4V | 4x 55W from +14.4V | 4x 24W from +14.4V | 4x 43W from +14.4V | On 27 pin IC only | 9A |
| STMicroelectronics | STPA003 | MOSFET | +6V to +18V | 4x 30W from +14.4V | 4x 55W from +14.4V | 4x 24W from +14.4V | 4x 43W from +14.4V | On 27 pin IC only | 9A |
| STMicroelectronics | STPA008 | MOSFET | +6V to +18V | 4x 29W from +14.4V | 4x 50W from +14.4V | 4x 23W from +14.4V | 4x 40W from +14.4V | On 27 pin IC only | 9A |
| Toshiba | TCB001HQ | MOSFET | +6V to +18V | 4x 26W from +14.4V | - | Est. 4x 20W from +14.4V | - | Offset, Short, Over-voltage (pin 25) | 9A |
| Toshiba | TCB501HQ | MOSFET | +6V to +18V | 4x 29W from +14.4V | 4x 46W from +14.4V | Est. 4x 23W from +14.4V | Est. 4x 36W from +14.4V | DC Offset (pin 1) | 9A |
| Toshiba | TCB502HQ | MOSFET | +6V to +18V | 4x 29W from +14.4V | 4x 46W from +14.4V | Est. 4x 23W from +14.4V | Est. 4x 36W from +14.4V | DC Offset (pin 25) | 9A |
| Toshiba | TCB503HQ | MOSFET | +6V to +18V | 4x 29W from +14.4V | 4x 50W from +14.4V | Est. 4x 23W from +14.4V | Est. 4x 40W from +14.4V | Clip detect (pin 1), DC Offset (pin 1) | 9A |
Note that the STPA chips come in 25 as well as 27-pin packages. The 27-pin package comes with extra features, but the pin arrangement is completely different, so do not follow the schematic below if you have the 27-pin versions of these.
Toshiba's chips come in a HZIP25 instead of Flexiwatt25. The pin spacing is the same, and so is the height and mount widths.
Datasheets
- TDA7381 Datasheet
- TDA7384A Datasheet
- TDA7385 Datasheet
- TDA7387 Datasheet
- TDA7388 Datasheet
- TDA7560 Datasheet
- TDA7850 Datasheet
- TDA7851F Datasheet
- TDA7851L Datasheet
- STPA001 Datasheet
- STPA002 Datasheet
- STPA003 Datasheet
- STPA008 Datasheet
- TCB001HQ Datasheet
- TCB501HQ Datasheet
- TCB502HQ Datasheet
- TCB503HQ Datasheet
Typical application
These amplifiers give you four bridged speaker outputs. That means these chips actually have eight power amplifiers inside their package. Unlike the dual bridged chips such as the STA540 / TDA7375, you cannot use these amplifiers individually though, meaning no possibility to get 8 single ended outputs with different signals.
All these chips can go rail-to-rail, meaning the power output from these chips really make the best of the supply voltage available and you can get good power output into both 8 ohm and 4 ohm speakers from just a single rail power supply of 12V, and even more power when supplied with around 18V or more. Some chips are also capable of powering 2-ohm speakers.
All chips are specifically intended to for car audio, but have a range of possibilities:
- A single chip can be used to make Bi-amplified speakers (with an active crossover before the amplifier)
- A single chip can be used to make a 2.1 system - an active subwoofer (possibly with two drivers or dual coil) and two smaller satellite speakers
- A single chip can make a surround sound system (i.e. front and rear channel amps)
- ICE - in car entertainment system

The information here is based on the typical application circuits in the ST Microelectronics datasheets for TDA7388 and TDA7850 (see above), but is applicable to all the chips amps listed (and perhaps more). Performance is good on these chips, and they all have low distortion if operated within reasonable conditions.
Because of their ability to get to quite a high power, it's suitable for a vast variety of applications, from small systems to lower powered Hi-Fi applications, without the need to build dual rail power supplies of high voltages.
Be aware of the following though:
- Being class AB, power dissipation (heat) can get high. If driving 4x 4-ohm speakers with an 18V supply, dissipation can reach 60W to 70W! Average dissipation for music / TV will be less of course, but you will still need a big heatsink. Therefore, for 4-ohm speakers, I would suggest a maximum of 16V supply voltage. This will typically give you around 25W output per channel at 1% THD, depending on the chip.
- There's no information in any datasheet about driving 8-ohm speakers. Of course, it will work fine though but expect power to be around 50 to 60% of the equivalent 4-ohm output.
- For driving 8-ohm speakers, heat dissipation will be lower, so you'll be able to push the voltage up to the maximum 18V for the best power output.
- Pins 1 and 25 use vary per chip. You do not need to use these features, but if there is any pin labelled as TAB - this should be grounded.
- Power output comparisons are at 14.4V, however, most of the time car voltage is less than this (around 13.2V).
- Mute and stand-by pin connections and thresholds vary per chip. Some chips are 3.3V logic compatible but other chips are not. For example, TDA7388 needs >3.5V voltage for both pins, TDA7850 needs >3.5V for the mute pin, but only >2.75V on the st-by pin, TDA7851L / TDA7851F will work with >2.6V for both pins. Check the datasheet mute / stand-by out thresholds
For those whose application really doesn't need a quad amplifier (and biamplification would not be any consideration), there are stereo alternatives STA540 / TDA7375, and for just mono, TDA7391 and TDA7396.
Note that because these chips already have four bridged outputs, you cannot bridge them again to make more powerful stereo outputs. An amplifier can only be bridged once. Outputs also cannot be paralleled, since gain per amplifier in the same chip will not be exactly the same.
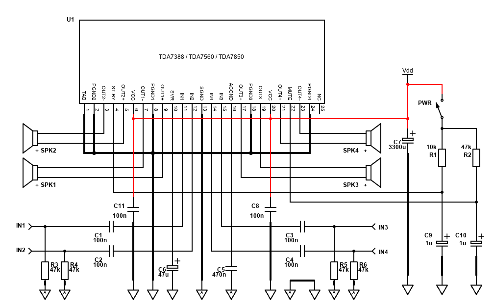
Circuit
The circuit below is specifically built and tested for the TDA7388 and TDA7850, however it applies to most chips except for pins 1 and 25. You need to review the chip's datasheet to see how these pins are used.
Otherwise, this application gives a simple operating amplifier without the microcontroller requirement.

| # | Type | Quantity |
|---|---|---|
| U1 | TDA7388, TDA7381, TDA7850, TDA7560 | 1 |
| R1 | 10k ohm Resistor, ¼W Metal Film, 1% | 1 |
| R2,R3,R4,R5,R6 | 47k ohm Resistor, ¼W Metal Film, 1% | 5 |
| C1,C2,C3,C4 | 100nF Capacitor, Polyester Film/Box (Best) or 16V+ Electrolytic | 4 |
| C5 | 470nF Capacitor, Polyester Film/Box (Best) or 16V+ Electrolytic | 1 |
| C6 | 47µF Capacitor, 25V+ Electrolytic | 1 |
| C7 | 3300µF Capacitor, 25V+ Electrolytic | 1 |
| C8,C11 | 100nF Capacitor, 50V+ Ceramic X7R or MLCC | 2 |
| Heatsink, cable, connectors | ~ |
I tend to draw my schematics to match the pin order of the IC to aid in thinking about the PCB layout. This results in a lot of lines on the schematic though! I've added line weight to the ground wires and coloured the voltage supply wires red to help. Break the schematic down though and you'll see it is made up of:
- 2x pins connected to the positive voltage supply, decoupled and smoothed with C7 (3,300µF), C8 (100nF) and C11 (100nF)
- 5x pins connected to power ground
- 2x pins connected to signal ground, one of these via a 470nF capacitor (C5)
- 4x pairs of speaker outputs (8x pins in total)
- 4x signal inputs, AC coupled to your source via 100nF capacitors (C1 to C4)
- A standby pin, smoothed by C9 and connected to the positive power with current limiting resistor R1
- A mute pin, smoothed by C10 and connected to the positive power with current limiting resistor R2
Do note that I've connected mute and standby direct to the supply rail and this has worked in my testing, but the datasheets for some chips suggest connecting to the positive supply rail is permissible via a 470k resistor. In this case, try substituting R1 for 470k and R2 with 510k, so unmute activates a bit later.
As the outputs are bridged, the components needed are small and easy to obtain as no DC blocking capacitor is needed on the speaker outputs (this is because both outputs will be at ½ the voltage supply, so no DC current flows through the speaker). No Zobel network (common for many amps) for the speaker outputs is needed either.
The closed loop gain of these chips is fixed at about 26dB - that's a voltage gain of 20 times, calculated as 10^(dB/20), so 10^(26/20) = 20. This means, it's unlikely to need a preamp. With a 12V input power, the TDA7388 specifically can drive a 4-ohm speaker to about 14W RMS at 1% distortion. To calculate the voltage of this, it's V = √(14 * 2) = 5.29V RMS. Divide that by 20 and it's a 264mV RMS input signal required to drive the chip amps to maximum power, without distortion. I found the output from a smartphone or many other sources can drive it to clipping.
With a 16V PSU, 25W power output into 4 ohms is achievable at 1% distortion. That input signal to reach that power raises to 354mV, which is still an output most input sources can meet but if yours cannot, you'll need a preamp with perhaps 1.5 to 2x gain.
All these chips need a custom PCB, and my PCB Building guide has information on how you can draw and etch custom PCBs. The datasheets all suggest dual layer PCB layouts, but the layout below shows that a single layer PCB is achievable too and it can be small.
As the pin spacing on these chips is just 1mm (2mm between pins on the same row), building on stripboard / Veroboard PCBs with 2.54mm spacing will not work. Even when making a custom PCB, you need to be quite precise when drawing the tracks and drilling the holes. Use a 0.6mm drill bit for the holes.

This is a single side layout, which is much easier for a DIY PCB. Double sided does neaten the layout a bit but isn't completely necessary. Size is 6cm × 4.6cm.
My layout has headers for mute and st-by (standby) operations. These can be connected to the positive power rail via a 470k resistor for permanent operation or testing.
Also note that I've used standard 2.54mm connectors for the speaker terminals. In most setups, this is OK but if you are pushing the limits, you may prefer screw down terminals, quick-connect (a.k.a. spade) connectors or something else sturdier. These will increase the PCB size a bit though and you'll need to move things around.
Components
Like all amplifiers, the TDA7388 needs bypass capacitors C7 and C8 (I also added C11 to help with the layout performance further). That's a 2200µF or better electrolytic capacitor, and 2x 100nF ceramic or multi-layer ceramic (MLCC) capacitors. Make sure the electrolytic is oriented correctly with + in the positive power supply.
C7, C8 and C11 need to be as close to the amplifier pins as possible, with C8 and C11 (the 100nF ceramics) being the closest.
C7 needs to have a voltage rating of a few volts or more greater than the power supply you want to use. Therefore, a 16V capacitor is fine for a 12V PSU, but if you want to go higher with the voltage, get a 25V or 35V rated capacitor. Since there are four bridged amplifiers on the chip, I suggest a minimum of 1,000µF for C7, but 3,300µF or 4,700µF would be better.
As these chips are single supply amplifiers, they generate a virtual ground internally that is half the supply voltage. This allows the audio input signal to swing above and below this virtual ground and being rail-to-rail amplifiers means that speaker signal can reach down to 0V and up to whatever power supply level is used.
The input capacitors C1, C2, C3 and C4 protect that DC voltage offset from reaching your input source. Input impedance is around 100k, so the suggested 0.1µF (100nF) input capacitors in the datasheet give a -3dB cut-off point of 15Hz. If you want a lower cut off, using 470nF capacitors gets a cut off of just over 3Hz. You need to size C5 to be at least the sum of C1 to C4 though to suppress pop noise. The suggestion is 470nF for 4x 100nF, but you'll need 2.2µF if 470nF is used for C1 to C4.
C1 to C5 should be polyester for better audio clarity, but you can use electrolytic capacitors instead and be unlikely to notice any difference. If you do though, you need to orientate the + pin of the electrolytic capacitors to fact the amplifier pin.
The voltage the capacitor needs to handle is half the supply voltage plus the peak AC input (no more than 2V), a 16V rated capacitor is fine for C3 and C5, but 470nF to 1µF electrolytic capacitors are usually 50V or 63V rated or higher anyway. Do not use ceramic or multi-layer ceramic capacitors for C1 to C5 as they are not recommended in the audio path.
For the standby and mute circuits, R1 and R2 are needed to limit the current applied to the standby and mute pins. Because there's no audio in this resistor, it can be any cheap 10k / 47k resistor. C1 and C2 are electrolytic capacitor that charges through this resistor and 1µF is given as the suggested value in the datasheet. These capacitors should be rated higher than your maximum voltage supply (25V or better).
Do not run this amp without a good heatsink, it will get extremely hot very quickly and shut down. Get a good heatsink, and if pushing the voltage to its maximum or 4-ohm speaker, get a really good heatsink! The heatsink tab connects to ground which shouldn't cause a problem for most applications, however if your using the amplifier on mains power and your case is earthed (it must be for safety), you may need a loop breaker to avoid hum caused by other equipment that is also earthed, and in this case the amplifier chip would need to be isolated from its heatsink in order to avoid shorting the earthed case to the amplifier power and signal grounds.
When mounting the amplifier chip to the heatsink, also use a line of thermal paste, and let the pressure of screwing it onto the heatsink push out the paste to cover the entire back of the tab. It's important to use thermal paste to improve the heat transfer, but do not use too much.
Microcontroller control
If you want to use a microcontroller to control the standby and mute of this amplifier - it's possible. Standby current consumption is low on these devices, so you can leave them connected to the power supply rails and control power with this pin - avoiding the need to trigger large relays.

If your microcontroller can supply 5V at its outputs, the layout in the datasheet (also above) is already compatible for almost all variants of these quad bridged amplifiers - but do double check for older ones! The 1µF capacitor from the pins to ground remains to smooth the on/off transitions, and the resistor limits current draw. 5V GPIO / ports are fairly common with Arduino, PIC micro and others.
Whilst some chips TDA7851L / TDA7851F / TDA7388A can be driven from 3.3V logic with the above schematic too, others (TDA7850, TDA7388-without-A) need a higher voltage to drive the power pin high. Therefore, if you are working with microcontrollers that use 3.3V logic, the schematic below shows how an n-channel MOSFET can be used to handle this. 3.3V GPIO / ports is much more common now. It's what Raspberry Pi, ESP8226, ESP32 and many others use, as well as DSP multipurpose pins.

Driving the signal high takes the amplifier out of standby, and again driving the mute line high takes the amplifier out of mute. I suggest a timing suggestion of 100ms to 200ms between the amplifier exiting standby and the amplifier unmuted to avoid any popping noises. Power off should be in reverse - mute first, then go to standby.
Each chip may have a different diagnostics pin can be used to feed to the input pin of a microcontroller too, allowing power to be cut in fault conditions such as DC detection, or detecting shorts, clipping. I won't cover this in detail though because it depends on what chip you have or purchase. Those with output DC detection though would be handy to drive a speaker protection circuit.
Making a 'system'
There are various applications for a quad amplifier, so I'm not going to cover much detail about a system. Some ideas would be:
- Driving 4x speakers from a stereo signal (typical car set up)
- A 'quadraphonic' surround system from a stereo signal. You would need to difference operational amplifier for the rear speakers
- Bi-Amplified stereo speakers. This is a great application for this chip amp and could allow you to get 4x the output capability of a stereo amplifier running of the same voltage supply, if you cross over at around 300Hz. For this application though, you would need to have suitable woofer + mid/high speakers you can modify or build your own. You also need an active crossover before the amplifier.
- A 2.1 setup, like above, but a separate subwoofer or dual subwoofers. Again, an active crossover is required.
- You can of course just use the chip as a stereo amplifier by using only two outputs. Leave the other two outputs unconnected and ground their inputs in this case.
Components to consider in a system would be:
- A power supply - see below, but suggest an external power supply
- A DC jack that can handle the current required. Unless running at low voltages, I don't suggest a standard 2.1mm / 2.5mm jack.
- A power switch, such as a slide switch, toggle switch or latching push button. Use this per the schematic so it is just switching the amplifier in or out of standby instead of switching the whole current.
- A power LED and current limiting resistor, after the switch (you may have an LED in your power button you can use)
- 3.5mm jack input or phono sockets for connecting your source
- A dual gang potentiometer, 10k log is recommended
- Optional, but recommended, capacitors to block radio interference
- Optional, but recommended, a capacitor and inductor to improve PSU noise
- Optional, but recommended, capacitors in front of potentiometer to block DC
- If your speakers are separate from the amplifier, spring clips, female banana plug sockets or similar should be used to attach/detach the speakers
Power Supply
I recommend, especially for beginners, that an external power supply is used. This should be a linear power supply or switching power supply that is suitable for audio/video use, i.e. a laptop power supply between 12V and 18V would work well (non-USB-C ones). These types of power supplies are easy to obtain but be aware that the current requirement needs to consider the power output to 4x speakers and also the heat dissipation. This will be a maximum of 150W, so you need a PSU capable of giving more than that. A 10A output provides a safe margin.
Be wary of cheap power supplies ordered from the far east and elsewhere because although they may work fine, they won't be safe in overload or other situations (lightning strikes etc.). The CE symbol on these devices is either fake or means 'China Export' and isn't the European certification that guarantees the product conforms with health, safety, and environmental protection standards.
If you decide to build your own power supply, you can use a 12V AC 160VA transformer to get about 17V DC when rectified. See the TDA2003 article for a suitable schematic, but bear in mind you will be working with mains electricity. The unregulated output om this should be fine. Linear regulators would produce too much dissipation to be worth any benefit.
Performance

Above: TDA7850 test setup (slightly disorganised!)
Bear in mind the theoretical maximum performance for an un-clipped output if the amplifier can go rail-to-rail is (VS × 0.353)□ / RL × 4. For a 14.4V supply and 4-ohm speakers, that's 25.8W with no losses, so no chip can be better than that. Into 2 ohms, it's 51.7W (again with no losses). It'll likely overheat before getting there!
To explain the calculation further - 0.353 comes from 1/(2√2), which is the calculation for a peak-to-peak voltage to RMS voltage (root mean square). The rest is ohms law with 4x at the end to convert the single ended power to bridged (2x amplifiers, with half the speaker load on each).
Clearly then, it's not a 160W or 200W amplifier like some circuits show when I searched, especially into 4-ohm speakers! However, 15W to 20W outputs per channel is not that bad and capable of 86dB to 90dB SPL in most rooms or in cars with most speakers.
Amplifiers with MOSFET output stages give the best power performance. Bi-polar amplifiers are still good, and some may find they sound a little different.
I tested a TDA7388 and TDA7850 off AliExpress initially, but I also tried a TDA7388 from CPC in case the performance was better from a well-known UK based supplier. All chips worked fine though, so it looks like I managed to get the real thing off AliExpress (seller Shenzhen ZeXinYuan), but of course it's always a risk.
I measured a single ended, DC coupled output on the oscilloscope, which is 0V ground referenced. From the DC wave, I took peak to peak as max voltage minus minimum, then calculated RMS voltage off that and finally power. Total power would be 4 times this. I measured with a voltage supply of 14.4V and 18V and used 8-ohm resistors for the load (two in parallel for 4-ohm testing).
Using a 1kHz tone generator, I then raised the input level to the point where the peaks of the output sine wave flatten out (clip) and then backed off a little until the sine wave output was correct.
These results are just off one output (there are eight), so real power once you factor in the second output for the same speaker might be different. Sustained power once you connect all 4 loads might drop too depending on real world factors such as how much voltage the PSU drops under load and how hot the chip gets under power (heatsink size being a factor here).

Above: TDA7850 measurement at 18V supply with 4-ohm load
TDA7388 Results
| Load | Idle Supply | Idle Current | Load Supply | Load Current | Max Pk | Min Pk | Pk-Pk | RMS | Power |
|---|---|---|---|---|---|---|---|---|---|
| 4 Ω | 14.41 V | 0.18 A | 14.15 V | 1.68 A | 11.8 V | 2.43 V | 9.37 V | 3.31 V | 10.98 W |
| 8 Ω | 14.40 V | 0.18 A | 14.23 V | 1.15 A | 12.82 V | 1.65 V | 11.17 V | 3.95 V | 7.80 W |
| 4 Ω | 17.94 V | 0.19 A | 17.58 V | 1.42 A | 14.77 V | 2.97 V | 11.80 V | 4.17 V | 17.39 W |
| 8 Ω | 17.91 V | 0.19 A | 17.73 V | 1.44 A | 16.02 V | 2.04 V | 13.98 V | 4.94 V | 12.22 W |
TDA7850 Results
| Load | Idle Supply | Idle Current | Load Supply | Load Current | Max Pk | Min Pk | Pk-Pk | RMS | Power |
|---|---|---|---|---|---|---|---|---|---|
| 4 Ω | 14.43 V | 0.15 A | 14.24 V | 1.63 A | 11.72 V | 1.88 V | 9.84 V | 3.47 V | 12.10 W |
| 8 Ω | 14.43 V | 0.15 A | 14.32 V | 1.04 A | 12.58 V | 1.10 V | 11.48 V | 4.06 V | 8.24 W |
| 4 Ω | 17.95 V | 0.16 A | 17.70 V | 2.07 A | 14.85 V | 2.271 V | 12.58 V | 4.45 V | 19.78 W |
| 8 Ω | 17.95 V | 0.16 A | 17.80 V | 1.27 A | 15.71 V | 1.41 V | 14.30 V | 5.07 V | 12.78 W |
| 8 Ω | 19.00 V | 0.16 A | 18.85 V | 1.33 A | 16.65 V | 1.49 V | 15.16 V | 5.36 V | 14.37 W |
Some chips have better typical distortion than others, so aim for those ones with the lowest THD% for best sound quality. Both my chips sound completely fine for what they are though.

Above: TDA7850 testing setup with some small biamplified DIY speakers
In my view, an interesting application would be small biamplified speakers such as DIY ones above. Biamplification is great and possible in portable boom boxes to studio monitors that could be potentially battery powered with this amplifier + a crossover (DSP or analogue). It requires a great deal more effort and cost to build a bigger Hi-Fi system with mono only chip amps such as the LM3886 etc., and many applications might not need the extra power those can give. These quad chip amps could also be a good consideration for a small multichannel amplifier.
For your battery-operated devices, some chips have a minimum voltage of 8V, others let you reach down to 6V (STPA chips). 3 to 4 lithium-ion cells in series, or 6x AA batteries can give you a power output of around 5W per channel. Heat dissipation will also be low so a small 4-channel system might be of interest to some.
Amplifiers with I2C support
The following ICs I've not used but I've added a note about them for reference. These use a digital I2C bus for control. This means you'll need a microcontroller i.e. PIC, Arduino, ESP8226, ESP32, Raspberry Pi Pico and the like to control the amplifier such as putting it in and out of standby, mute and reading its diagnostics. I won't detail this any further for now as these are not as DIY friendly unless you're comfortable with microcontroller development.
Though these amplifiers are in the same package, the mute, standby and diagnostics/NC pins are repurposed for the I2C bus and a different diagnostic pin.
| Package | Type | Voltage supply range | Power at 10% 1kHz THD - 4 ohms | Power at 10% 1kHz THD - 2 ohms | Power at 1% 1kHz THD - 4 ohms | Power at 1% 1kHz THD - 2 ohms | Diagnostics | Peak current limit (repetitive) |
|---|---|---|---|---|---|---|---|---|
| TDA7561 | MOSFET (BCD) | +8V to +18V | 4x 30W from +14.4V | 4x 55W from +14.4V | 4x 23W from +14.4V | 4x 43W from +14.4V | I2C | 6A |
| TDA7564B | MOSFET (BCD) | +8V to +18V | 4x 28W from +14.4V | 4x 50W from +14.4V | 4x 22W from +14.4V | 4x 40W from +14.4V | I2C | 6A |